Миниатюрная видеокамера ВИД-0,3 предназначена для дистанционного наблюдения за сварочными процессами.
Особенности камеры:
Технические характеристики
| Параметр | Значение |
| Разрешение, точек | 640х480 точек |
| Питание, В | 12 |
| Ток потребления, мА | 300 |
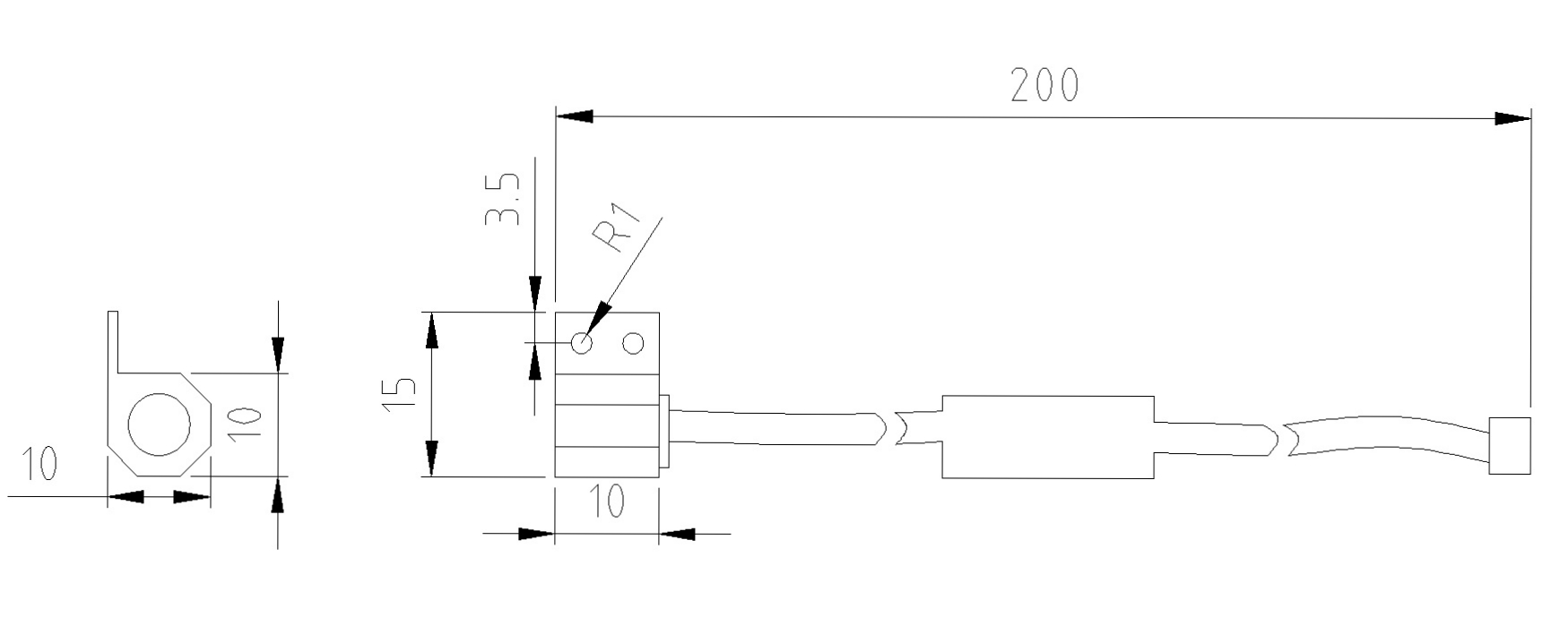
| Габариты без разъема, мм | 10х15х10 |

Габаритные размеры камеры ВИД-0,3

Внешний вид миниатюрной камеры для наблюдения за сваркой

Сварка с колебаниями